Skip to content
BSA B40 350 Star
Restoration
Home
Subscribe
About Us (Walkers)!
Our Bikes
2018 Kawsaki Vulcan 900 Classic
2009 Kawasaki Vulcan 900 Custom
1998 Kawasaki Vulcan 800 B
1961 BSA B40 350 Star
Technical B40 specs
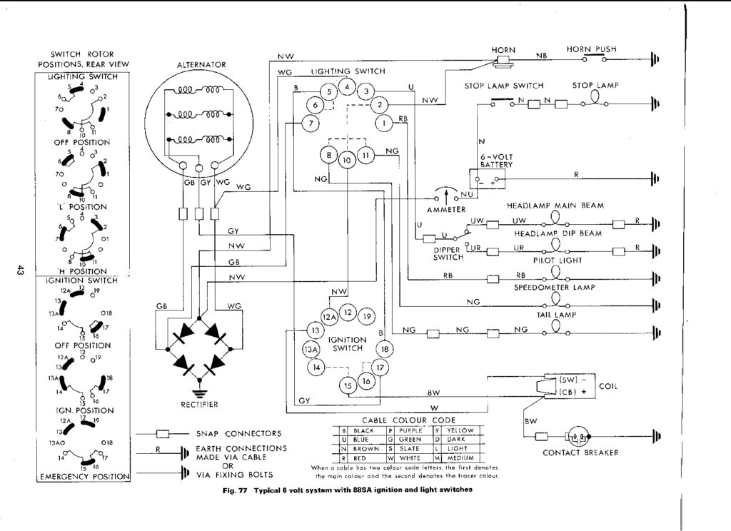
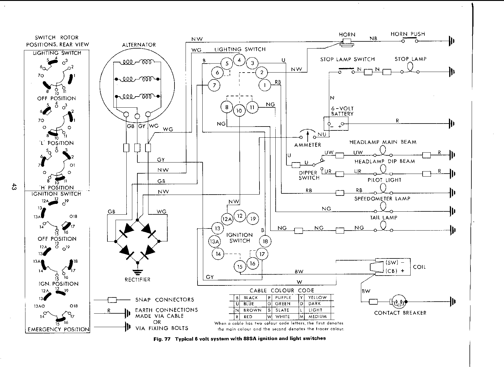
Electrical Schematics
BSA ’61 B40 To-Do List (& Assembly Diag)
Electrical Schematics
Electrical Schematics 1961 B40 – 197143
Download
Recent Posts
And..they have arrived
Lost the Rings.. waiting on another set
Patch up the head
Piston Rings – Take 1
Barrel and Cylinder Head – Prep
Archive Posts
January 2026
December 2025
November 2025
October 2025
September 2025
August 2025
July 2025
June 2025
April 2025
Recent Comments
Subscribe
Leave This Blank:
Leave This Blank Too:
Do Not Change This:
Your email: