Get bike running prior to teardown- Find / Purchase new Seat (Foam + Cover). Seat Pan seems fine
- New exhaust pipe and Silencer
Option to repair old and rechrome ($$$) - Rims (WM2-18) and spokes (straight).
Existing Hubs to be used. - Chain Guard (missing)
- Repair electrical wiring harness
- Rebuild the Engine top-end
The above are things I track at a high level and this is not a fine granular to-do list.
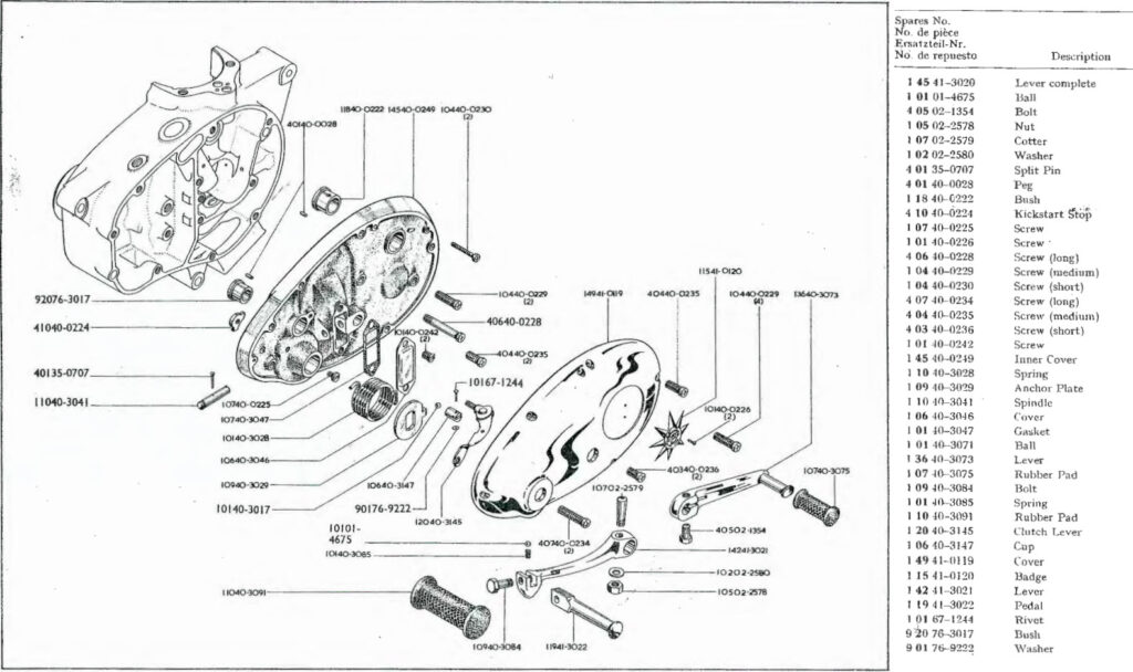
Below I’ve published the Assembly Diagrams and associated parts for my 1961 BSA B40 from the parts Listing
Electrical

Frame & Sheet Metal







Engine and Transmission








Front and Rear Hubs (+ Brakes)


Front and Rear Suspension


Tool Kit
